Jiangsu Mechanical and Electrical Products Bearing Co., Ltd.

江苏省机电产品轴承有限公司

Jiangsu Mechanical and Electrical Products Bearing Co., Ltd.

江苏省机电产品轴承有限公司

ENG

中国人

Jiangsu Mechanical and Electrical Products Bearing Co., Ltd.

江苏省机电产品轴承有限公司

Model
Inner Diameter
Outer Diameter
Width

Catalogue

Catalogue

Slewing bearings

Slewing bearings / Single row four-point contact ball slewing bearing (01 series) - toothless type

Next
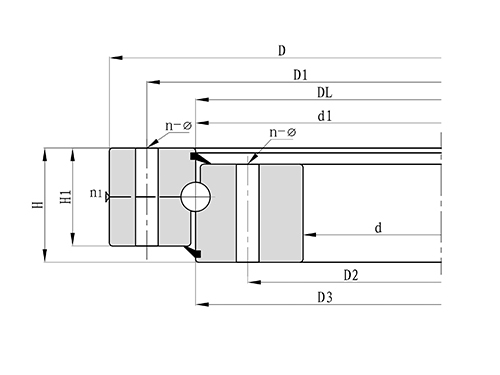
型号 外形尺寸(mm) 安装孔尺寸(mm)
D d H D1
010.20.200 280 120 60 248
010.20.224 304 144 60 272
010.20.250 330 170 60 298
010.20.280 360 200 60 328
010.25.315 408 222 70 372
010.25.355 448 262 70 412
010.25.400 493 307 70 457
010.25.450 543 357 70 507
010.30.500 602 398 80 566
010.25.500 602 398 80 566
010.30.560 662 458 80 626
010.25.560 662 458 80 626

page

1

2

3

Inquire Now