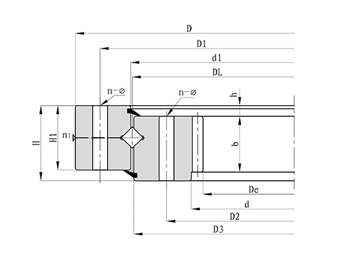
| 型号 | 外形尺寸 (mm) | 安装孔尺寸(mm) | ||
| D | d | H | D1 | |
| 020.25.500 | 616 | 384 | 106 | 580 | 020.25.560 | 676 | 444 | 106 | 640 |
| 020.25.630 | 746 | 514 | 106 | 710 | 020.25.710 | 826 | 594 | 106 | 790 |
| 020.30.800 | 942 | 658 | 124 | 898 | 020.30.900 | 1042 | 758 | 124 | 998 |
| 020.30.1000 | 1142 | 858 | 124 | 1098 | 020.30.1120 | 1262 | 978 | 124 | 1218 |
| 020.40.1250 | 1426 | 1074 | 160 | 1374 | 020.40.1400 | 1576 | 1224 | 160 | 1524 |
| 020.40.1600 | 1776 | 1424 | 160 | 1724 | 020.40.1800 | 1976 | 1624 | 160 | 1924 |
1