Jiangsu Mechanical and Electrical Products Bearing Co., Ltd.

江苏省机电产品轴承有限公司

Jiangsu Mechanical and Electrical Products Bearing Co., Ltd.

江苏省机电产品轴承有限公司

ENG

中国人

Jiangsu Mechanical and Electrical Products Bearing Co., Ltd.

江苏省机电产品轴承有限公司

Model
Inner Diameter
Outer Diameter
Width

Catalogue

Catalogue

Needle roller bearings

Radial needle roller and cage assembly / K series

Next
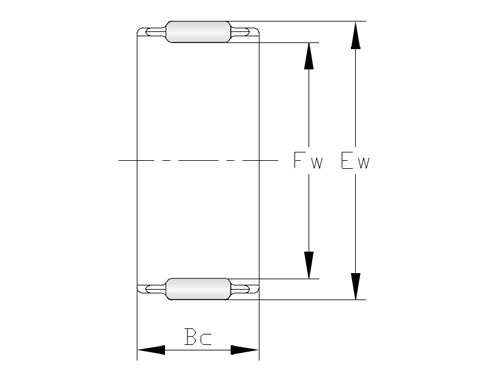
型号 主要尺寸(mm) 额定负载(N)
Fw Ew Bc Cr
K100X107X21 100 107 21 47500
K100X108X27 100 108 27 56500
K100X108X30 100 108 30 70500
K105X112X21 105 112 21 47000
K105X113X30 105 113 30 71500
K10X13X10TN 10 13 10 4500
K10X13X13TN 10 13 13 6000
K10X13X16TN 10 13 16 6300
K10X14X10TN 10 14 10 7000
K10X14X13TN 10 14 13 8000
K10X16X12TN 10 16 12 7000
K110X117X24 110 117 24 55500

page

1

2

3

4

5

6

7

8

9

Inquire Now