don't remove it
Catalogue
-
68/Z,ZZ,RS,2RS series
-
69/Z,ZZ,RS,2RS series
-
62/Z,ZZ,RS,2RS,2RD,2RK series
-
60/Z,ZZ,RS,2RS,2RD,2RK series
-
63/Z,ZZ,RS,2RS,2RD,2RK series
Catalogue
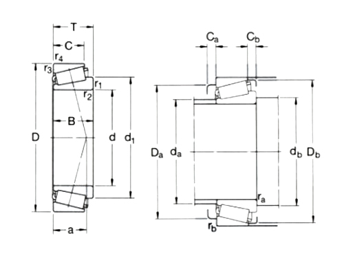
Tapered Roller Bearings
Single row metric tapered roller bearings / 323 series
Next
| 型号 |
尺寸(mm) |
基本额定载荷(KN) |
| d1 |
D |
B |
dyc(Cr) |
| 32303J2/Q |
17 |
47 |
20.25 |
40 |
32304J2/Q |
20 |
52 |
22.25 |
51 |
| 32305J2 |
25 |
62 |
25.25 |
60.5 |
32306J2/Q |
30 |
72 |
28.75 |
88 |
| 32307J2/Q |
35 |
80 |
32.75 |
95.2 |
32307BJ2/Q |
35 |
80 |
32.75 |
93.5 |
| 32307/37BJ2/Q |
37 |
80 |
32.75 |
93.5 |
32308J2/Q |
40 |
90 |
35.25 |
117 |
| 32309J2/Q |
45 |
100 |
38.25 |
140 |
32309BJ2/QCL7C |
45 |
100 |
38.25 |
156 |
| 32310J2/Q |
50 |
110 |
42.25 |
172 |
32310TN9 |
50 |
110 |
42.25 |
172 |
| 型号 |
尺寸(mm) |
基本额定载荷(KN) |
| d1 |
D |
B |
dyc(Cr) |
| 32310BJ2/QCL7C |
50 |
110 |
42.25 |
183 |
32311J2 |
55 |
120 |
45.5 |
198 |
| 32311BJ2/QCL7C |
55 |
120 |
45.5 |
216 |
32312J2/Q |
60 |
130 |
48.5 |
229 |
| 32312BJ2/QCL7C |
60 |
130 |
48.5 |
255 |
32313J2/Q |
65 |
140 |
51 |
264 |
| 32313BJ2/QU4CL7CVQ267 |
65 |
140 |
51 |
285 |
32314J2/Q |
70 |
150 |
54 |
297 |
| 70 |
150 |
54 |
325 |
400 |
32315J2 |
75 |
160 |
58 |
336 |
| 32315BJ2/QCL7C |
75 |
160 |
58 |
380 |
32316J2 |
80 |
170 |
61.5 |
380 |
Inquire Now