don't remove it
Catalogue
-
68/Z,ZZ,RS,2RS series
-
69/Z,ZZ,RS,2RS series
-
62/Z,ZZ,RS,2RS,2RD,2RK series
-
60/Z,ZZ,RS,2RS,2RD,2RK series
-
63/Z,ZZ,RS,2RS,2RD,2RK series
Catalogue
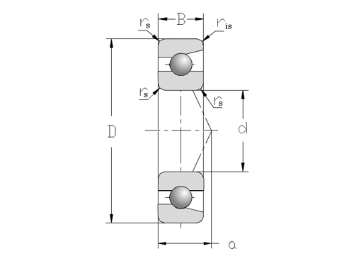
Angular contact ball bearings
High speed single train / Single row 70C series
Next
| 型号 |
主要尺寸(mm) |
| d |
D |
B |
rs min |
| 7000C |
10 |
26 |
8 |
0.3 |
7001C |
12 |
28 |
8 |
0.3 |
| 7002C |
15 |
32 |
9 |
0.3 |
7003C |
17 |
35 |
10 |
0.3 |
| 7004C |
20 |
42 |
12 |
0.6 |
7005C |
25 |
47 |
12 |
0.6 |
| 7006C |
30 |
55 |
13 |
1 |
7007C |
35 |
62 |
14 |
1 |
| 7008C |
40 |
68 |
15 |
1 |
7009C |
45 |
75 |
16 |
1 |
| 7010C |
50 |
80 |
16 |
1 |
7011C |
55 |
90 |
18 |
1.1 |
| 型号 |
主要尺寸(mm) |
| d |
D |
B |
rs min |
| 7012C |
60 |
95 |
18 |
1.1 |
7013C |
65 |
100 |
18 |
1.1 |
| 7014C |
70 |
110 |
20 |
1.1 |
7015C |
75 |
115 |
20 |
1.1 |
| 7016C |
80 |
125 |
22 |
1.1 |
7017C |
85 |
130 |
22 |
1.1 |
| 7018C |
90 |
140 |
24 |
1.5 |
7019C |
95 |
145 |
24 |
1.5 |
| 7020C |
100 |
150 |
24 |
1.5 |
7021C |
105 |
160 |
26 |
2 |
| 7022C |
110 |
170 |
28 |
2 |
7024C |
120 |
180 |
28 |
2 |
Inquire Now