Jiangsu Mechanical and Electrical Products Bearing Co., Ltd.

江苏省机电产品轴承有限公司

Jiangsu Mechanical and Electrical Products Bearing Co., Ltd.

江苏省机电产品轴承有限公司

ENG

中国人

Jiangsu Mechanical and Electrical Products Bearing Co., Ltd.

江苏省机电产品轴承有限公司

Model
Inner Diameter
Outer Diameter
Width

Catalogue

Catalogue

Angular contact ball bearings

High speed single train / Single row 79C series

Next
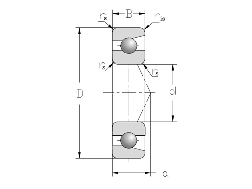
型号 主要尺寸(mm)
d D B rs min
7905C 25 42 9 0.3
7906C 30 47 9 0.3
7907C 35 55 10 0.6
7908C 40 62 12 0.6
7909C 45 68 12 0.6
7910C 50 72 12 0.6
7911C 55 80 13 1
7912C 60 85 13 1
7913C 65 90 13 1
7914C 70 100 16 1
7915C 75 105 16 1
7916C 80 110 16 1

page

1

Inquire Now