don't remove it
Catalogue
-
68/Z,ZZ,RS,2RS series
-
69/Z,ZZ,RS,2RS series
-
62/Z,ZZ,RS,2RS,2RD,2RK series
-
60/Z,ZZ,RS,2RS,2RD,2RK series
-
63/Z,ZZ,RS,2RS,2RD,2RK series
Catalogue
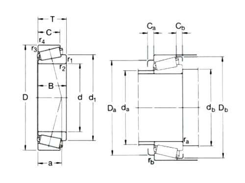
Tapered Roller Bearings
Single row metric tapered roller bearings / 303 series
Next
| 型号 |
尺寸(mm) |
基本额定载荷(KN) |
| d1 |
D |
B |
dyc(Cr) |
| 30303J2 |
17 |
47 |
15.25 |
28.1 |
32303J2/Q |
17 |
47 |
20.25 |
40 |
| 30304J2/Q |
20 |
52 |
16.25 |
39 |
30305J2 |
25 |
62 |
18.25 |
44.6 |
| 30306J2/Q |
30 |
72 |
20.75 |
64 |
30307J2/Q |
35 |
80 |
22.75 |
83 |
| 30308J2/Q |
40 |
90 |
25.25 |
100 |
30309J2/Q |
45 |
100 |
27.25 |
125 |
| 30310J2/Q |
50 |
110 |
29.25 |
143 |
30311J2/Q |
55 |
120 |
31.5 |
166 |
| 30312J2/Q |
60 |
130 |
33.5 |
168 |
30313J2/Q |
65 |
140 |
36 |
194 |
| 型号 |
尺寸(mm) |
基本额定载荷(KN) |
| d1 |
D |
B |
dyc(Cr) |
| 30314J2/Q |
70 |
150 |
38 |
220 |
30315J2/Q |
75 |
160 |
40 |
246 |
| 30316J2 |
80 |
170 |
42.5 |
270 |
30317J2 |
85 |
180 |
44.5 |
303 |
| 30318J2 |
90 |
190 |
46.5 |
330 |
30319 |
95 |
200 |
49.5 |
330 |
| 30320J2 |
100 |
215 |
51.5 |
402 |
30322J2 |
110 |
240 |
54.5 |
473 |
| 30324J2 |
120 |
260 |
59.5 |
561 |
30326J2 |
130 |
280 |
63.75 |
627 |
| 33030 |
150 |
225 |
59 |
457 |
30332J2 |
160 |
340 |
75 |
913 |
Inquire Now