Jiangsu Mechanical and Electrical Products Bearing Co., Ltd.

江苏省机电产品轴承有限公司

Jiangsu Mechanical and Electrical Products Bearing Co., Ltd.

江苏省机电产品轴承有限公司

ENG

中国人

Jiangsu Mechanical and Electrical Products Bearing Co., Ltd.

江苏省机电产品轴承有限公司

Model
Inner Diameter
Outer Diameter
Width

Catalogue

Catalogue

Angular contact ball bearings

High speed single train / Single row 78C series

Next
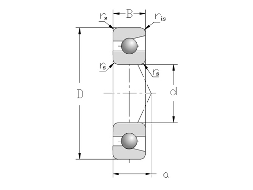
型号 主要尺寸(mm)
d D B rs min
7805C 25 37 7 0.3
7806C 30 42 7 0.3
7807C 35 47 7 0.3
7808C 40 52 7 0.3
7809C 45 58 7 0.3
7810C 50 65 7 0.3
7811C 55 72 9 0.3
7812C 60 78 10 0.3
7813C 65 85 10 0.6
7814C 70 90 10 0.6
7815C 75 95 10 0.6
7816C 80 100 10 0.6

page

1

Inquire Now