Jiangsu Mechanical and Electrical Products Bearing Co., Ltd.

江苏省机电产品轴承有限公司

Jiangsu Mechanical and Electrical Products Bearing Co., Ltd.

江苏省机电产品轴承有限公司

ENG

中国人

Jiangsu Mechanical and Electrical Products Bearing Co., Ltd.

江苏省机电产品轴承有限公司

Model
Inner Diameter
Outer Diameter
Width

Catalogue

Catalogue

Angular contact ball bearings

High speed single train / Single row 73C series

Next
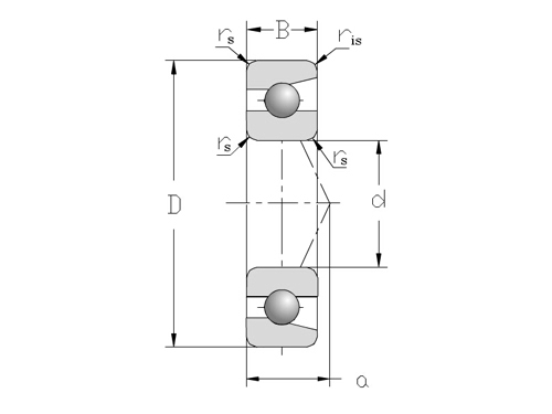
型号 主要尺寸(mm)
d D B rs min
7302C 15 42 13 1
7303C 17 47 14 1
7304C 20 52 15 1.1
7305C 25 62 17 1.1
7306C 30 72 19 1.1
7307C 35 80 21 1.5
7308C 40 90 23 1.5
7309C 45 100 25 1.5
7310C 50 110 27 2
7311C 55 120 29 2
7312C 60 130 31 2.1
7313C 65 140 33 2.1

page

1

Inquire Now